产 品 中 心
‹

›
‹

›
产品详情
| 行星減速機型號說明Planetary Reducer Code Instruction | |||||||||||||||
| 1st | 2nd | 3rd | 4th | 5th | 6th | 7th | 8th | ||||||||
| 主結構 Structure | 機型 Type | 品 名 Name | 型號 Code | 減速比 Ratio | 出力軸鍵槽 Output Shaft Keyway | 背隙等級 Backlash Level | 馬達 Motor | ||||||||
| H | C D | R | 060~205 | 3~100 | S1 S2 | P0 P1 P2 | N / A | ||||||||
| H= 斜齒 | C= 圓型 D= 盤型 | 減速機 | L1=1 段 Ratio 3,4,5,6,7,8, 10 L2=2 段 Ratio 15, 20, 25, 30, 35, 40, 50, 60, 70, 80, 100 | S1 標準品 ( 有鍵槽 ) S2 實心軸 ( 無鍵槽 ) | P0= 超精密 P1= 精密 P2= 標準 | N / A | |||||||||
| H=Helical | C=Cylindrical D=Disk | Reducer | L1=Level 1 Ratio 3,4,5,6,7,8, 10 L2=Level 2 Ratio 15, 20, 25, 30, 35, 40, 50, 60, 70, 80, 100 | S1: Standard, with Keyway S2: Solid Output, No Keyway | P0= Super Precision P1=Precision P2=Standard | N / A | |||||||||
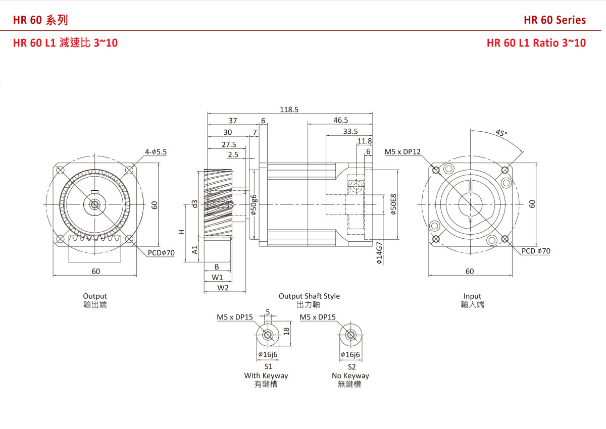
| HR L1 Ratio 3~10 | |
| 減速比 Ratio | 3, 4, 5, 6, 7, 8, 10 |
| 超精密背隙 P0 Super Precision Backlash | P0 ≦ 1 |
| 精密背隙 P1 Precision Backlash | P1 ≦ 3 |
| 標準背隙 P2 Standard Blacklash | P2 ≦ 5 |
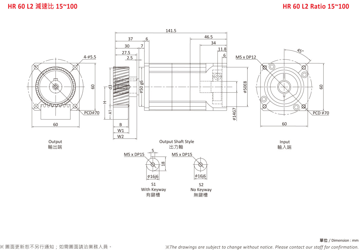
| HR L2 Ratio 15~100 | |
| 減速比 Ratio | 15, 20, 25, 30, 35, 40, 50, 60, 70, 80, 100 |
| 超精密背隙 P0 Super Precision Backlash | P0 ≦ 3 |
| 精密背隙 P1 Precision Backlash | P1 ≦ 5 |
| 標準背隙 P2 Standard Blacklash | P2 ≦ 7 |

| HR 系列 HR Series | ||||||||
| 規 格 Model No. | 單位 Unit | 節數 Stage | 減速比 Ratio | 60 | 90 | 115 | 142 | 180 |
| 額定輸出力矩 Nominal Output Torque | Nm | L1 | 3 | 55 | 130 | 208 | 342 | 588 |
| 4 | 50 | 140 | 290 | 542 | 1040 | |||
| 5 | 60 | 160 | 330 | 650 | 1200 | |||
| 6 | 55 | 150 | 310 | 600 | 1100 | |||
| 7 | 50 | 140 | 300 | 550 | 1100 | |||
| 8 | 45 | 120 | 260 | 500 | 1000 | |||
| 10 | 40 | 100 | 230 | 450 | 900 | |||
| L2 | 15 | 55 | 130 | 208 | 342 | 588 | ||
| 20 | 50 | 140 | 290 | 542 | 1040 | |||
| 25 | 60 | 160 | 330 | 650 | 1200 | |||
| 30 | 55 | 150 | 310 | 600 | 1100 | |||
| 35 | 50 | 140 | 300 | 550 | 1100 | |||
| 40 | 45 | 120 | 260 | 500 | 1000 | |||
| 50 | 60 | 160 | 330 | 650 | 1200 | |||
| 60 | 55 | 150 | 310 | 600 | 1100 | |||
| 70 | 50 | 140 | 300 | 550 | 1100 | |||
| 80 | 45 | 120 | 260 | 500 | 1000 | |||
| 100 | 40 | 100 | 230 | 450 | 900 | |||
最大輸入轉速 Max. Input Speed | rpm | L1/L2 | 3~100 | 10000 | 8000 | 8000 | 6000 | 6000 |
額定輸入轉速 Nominal Input Speed | rpm | L1/L2 | 3~100 | 5000 | 4000 | 4000 | 3000 | 3000 |
超精密背隙 P0 Super Precision Backlash | arc min | L1 | 3~10 | ≦ 1 | ||||
| L2 | 15~100 | ≦ 3 | ||||||
精密背隙 P1 Precision Backlash | L1 | 3~10 | ≦ 3 | |||||
| L2 | 15~100 | ≦ 5 | ||||||
標準背隙 P2 Standard Blacklash | L1 | 3~10 | ≦ 5 | |||||
| L2 | 15~100 | ≦ 7 | ||||||
急停扭矩 Emergency Stop Torque | Nm | L1/L2 | 3~100 | 3 倍額定輸出力矩 / 3 Times of Nominal Output Torque | ||||
最大輸出力矩 Max. Output Torque | Nm | L1/L2 | 3~100 | 3 倍額定輸出力矩 x 60% / 3 Times of Nominal Output Torque x 60% | ||||
扭轉剛性 Torsional Rigidity | Nm/arc min | L1/L2 | 3~100 | 7 | 14 | 25 | 50 | 145 |
容許徑向力 Max. Radial Force | N | L1/L2 | 3~100 | 1530 | 3250 | 6700 | 9400 | 14500 |
容許軸向力 Max. Axial Force | N | L1/L2 | 3~100 | 765 | 1625 | 3350 | 4700 | 7250 |
使用壽命 Product Life | hr | L1/L2 | 3~100 | 20000 | ||||
使用溫度 Operation Temp | ℃ | L1/L2 | 3~100 | -10℃ ~ 90℃ | ||||
| 效率 Efficiency | % | L1 | 3~10 | ≧ 97 | ||||
| L2 | 15~100 | ≧ 94 | ||||||
潤滑 Lubrication | - | L1/L2 | 3~100 | 合成潤滑油 / Synthetic Lubrication Grease | ||||
噪音值 Noise Level(2000pm) | dB | L1 | 3~10 | ≦ 58 | ≦ 63 | ≦ 60 | ≦ 65 | ≦ 66 |
| L2 | 15~100 | ≦ 58 | ≦ 63 | ≦ 60 | ≦ 65 | ≦ 66 | ||
防護等級 Degree of Gearbox Protection | IP | L1/L2 | 3~100 | IP65 | ||||
安裝方向 Mounting Direction | - | L1/L2 | 3~100 | 任意方向 / Any Direction | ||||
重量 Weight | Kg | L1 | 3~10 | 1.3 | 3.6 | 7.7 | 14.5 | 29 |
| L2 | 15~100 | 1.9 | 5.1 | 9 | 17.5 | 33 | ||
| 減速機轉動慣量Reducer Moment of Inertia | ||||||||
| 規 格 Model No. | 單位 Unit | 節數 Stage | 減速比 Ratio | 60 | 90 | 115 | 142 | 180 |
| 轉動慣量 Moments of Inertia | kg.cm² | L1 | 3 | 0.16 | 0.61 | 3.25 | 9.21 | 28.98 |
| 4 | 0.14 | 0.48 | 2.74 | 7.54 | 23.67 | |||
| 5 | 0.13 | 0.47 | 2.71 | 7.42 | 23.29 | |||
| 6 | 0.13 | 0.45 | 2.65 | 7.25 | 22.75 | |||
| 7 | 0.13 | 0.45 | 2.62 | 7.14 | 22.48 | |||
| 8 | 0.13 | 0.44 | 2.58 | 7.07 | 22.59 | |||
| 10 | 0.13 | 0.44 | 2.57 | 7.03 | 22.51 | |||
| L2 | 15 | 0.13 | 0.13 | 0.47 | 2.71 | 7.42 | ||
| 20 | 0.13 | 0.13 | 0.47 | 2.71 | 7.42 | |||
| 25 | 0.13 | 0.13 | 0.47 | 2.71 | 7.42 | |||
| 30 | 0.13 | 0.13 | 0.47 | 2.71 | 7.42 | |||
| 35 | 0.13 | 0.13 | 0.47 | 2.71 | 7.42 | |||
| 40 | 0.13 | 0.13 | 0.47 | 2.71 | 7.42 | |||
| 50 | 0.13 | 0.13 | 0.44 | 2.57 | 7.03 | |||
| 60 | 0.13 | 0.13 | 0.44 | 2.57 | 7.03 | |||
| 70 | 0.13 | 0.13 | 0.44 | 2.57 | 7.03 | |||
| 80 | 0.13 | 0.13 | 0.44 | 2.57 | 7.03 | |||
| 100 | 0.13 | 0.13 | 0.44 | 2.57 | 7.03 | |||


相关建议
网上咨询

20 years experiences textile machine manufacturer and exporter

